Ir al contenido principal

Caso de éxito: Integración de más de 50 sistemas de una universidad con WSO2

Una de las universidades más prestigiosas del mundo con más de 20.000 estudiantes  contaba con un problema en su arquitectura IT que querían solucionar. En este proyecto veremos cómo en tres meses se pudieron integrar más de 50 softwares diferentes para convertir una estructura monolítica en una arquitectura orientada a servicios.

La misma universidad era conscientes de que los sistemas con los que contaban en su momento no estaban cumpliendo con sus objetivos de tener sus sistemas integrados.

El cliente conocía que WSO2 podría ser una buena solución a su problema, ya que a pesar de que era un gran cambio, podía hacerse de manera modular gracias a su diseño.

Aprovechando que la universidad iba a cambiar uno de sus principales sistemas, el equipo IT decidió que era una buena oportunidad para desprenderse del sistema heredado y transformar su estructura monolítica a una arquitectura orientada a servicios.

Problema

El mayor problema de la universidad, es que a lo largo de los años había incorporado más de 50 softwares diferentes de diferentes proveedores que no estaban comunicados entre sí y que contaban con escasa documentación. Con más de 20.000 estudiantes, sin contar a todo el equipo humano de la universidad, la complejidad de los sistemas de la universidad era tal que es comparable a la de una cuidad.

La integración de más de 50 softwares ya presenta una complejidad considerable, pero a esta tesitura, se añade la necesidad del cliente de tener el proyecto realizado en tres meses.

La integración que la universidad necesitaba para sus sistemas contaba con una complejidad muy alta.

Solución

La universidad evaluó diferentes soluciones para la integración de sus sistemas. Finalmente se decantó por WSO2 por varias razones. La primera de ellas es que WSO2 era una buena opción por su diseño modular. Vital en este tipo de proyectos con un número tan elevado de integraciones. El diseño modular de WSO2 permite que solo utilicemos aquellos componentes que realmente necesitamos y vamos a utilizar.

“El diseño modular de WSO2 era vital para un número tan elevado de integraciones”

Por otra parte, WSO2 tiene la habilidad de acoplarse con CI, con tecnologías de automatización y con Zero Solutions. Lo que permitió ganar tiempo en el proyecto. Gracias a esto y al Chakray Solution Accelerator, una solución que tarda dos o tres meses en desplegarse puede hacerlo en unos pocos días.

Otra característica de WSO2 que ayudó en este proyecto, fue la posibilidad de contar con una solución hibrida; cloud y on-permise. Una característica que facilitó el proyecto y nos dio más flexibilidad.

Por último, WSO2 cuenta con un diseño amigable en el que los  developers pueden construir y reutilizar componentes de integración. Lo que nos permitió crear soluciones estándares cuando fueron necesarias.

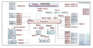
Esquema básico de la integración con WSO2

Chakray Solution Accelerator: Una solución para finalizar proyectos más rápidamente.

Para muchas empresas, el tiempo que normalmente implica realizar este tipo de integraciones, supone un freno importante a la hora de decidirse a empezar el proyecto.

En este caso, el tiempo también era decisivo. El proyecto debía de estar finalizado en tres meses. El Solution Accelerator de Chakray, ayudo mucho en este propósito y en poder realizar las integraciones de la manera más eficiente y rápida posible.

Esta solución, exclusiva de Chakray, está diseñada para construir plataformas de WSO2 a partir de código. Esto nos permite diseñar una arquitectura y ponerlas en un archivo desde el que poder construir la plataforma a partir del código.

Gracias a WSO2, Chakray y el gran trabajo del equipo del cliente, la universidad pudo integrar todos sus sistemas en un tiempo récord. Además, se cumplieron todas las estrictas exigencias de seguridad tan necesarias en este tipo de proyecto.